桦南县2020年信息公开工作年度报告
根据《中华人民共和国政府信息公开条例》规定和省、市文件精神,现编制2020年桦南县政府信息公开工作年度报告,报告中所列数据的统计期限自2020年1月1日起至2020年12月31日止。本报告内容主要包括总体情况、行政机关主动公开政府信息情况、行政机关收到和处理政府信息公开申请情况、因政府信息公开工作被申请行政复议、提起行政诉讼情况、政府信息公开工作存在的主要问题及改进情况、其他需要报告的事项等六个方面。本报告电子版公开在桦南县政府网站上(http://www.huanan.gov.cn/),如对报告有疑问,请与桦南县人民政府办公室联系(地址:桦南县人民政府办公楼216室,电话:0454-6222273,邮编:154400)。
一、总体情况
2020年,我县各行政机关始终坚持以习近平新时代中国特色社会主义思想为指导,严格按照《中华人民共和国政府信息公开条例》(以下简称《新条例》)及省、市政府信息公开部署要求,坚持“公开为常态、不公开为例外”的基本原则,全面科学编制本报告。借助“互联网+政务服务”更好的保护人民群众的知情权、参与权、监督权,确保公开的信息科学、准确、简洁、真实、有效。2020年我县主动公开政务信息2460条。公开县政府工作报告,各乡镇、县部门工作报告23条,扶贫政策与规划等信息66条,教育卫生相关信息109条,环境保护相关信息44条,财政预决算信息95条,发布政策解读信息15条;主动公开了《桦南县人民政府关于做好提高城乡低保和特困人员救助供养标准有关工作的通知》《桦南县人民政府关于印发<全面深化行政复议体制改革实施方案>的通知》等相关政府文件15条,各类通知公告512条,微信公众号累计发布6081条信息,浏览量625万,与群众共享新闻视频306期。
(一)政府多措并举,做好主动公开
一是确保重点领域信息公开常态长效。监督各乡镇人民政府、县直部门及有关单位做好重大建设项目批准和实施、公共资源配置、社会公益事业建设、财政预决算等领域政府信息公开,维护好桦南县政府门户网站政务公开板块下所有内容,确保及时公开相关信息。在新一轮机政务公开改革之后,依据全县机构改革方案,按照国家新《条例》要求,更新了县政府组成部门的机关职能、机构设置、办公地址、办公时间、联系方式和负责人姓名及有关单位应公开的全部信息。二是全面推进基层政务公开标准化规范化工作实施方案。贯彻落实《黑龙江省人民政府办公厅关于全面推进基层政务公开标准化规范化工作的实施意见》(黑政办发〔2020〕17号)和《佳木斯市人民政府办公室关于贯彻落实<黑龙江省人民政府办公厅关于全面推进基层政务公开标准化规范化工作的实施意见>的通知》(佳政办发〔2020〕4号)文件要求,制定桦南县全面推进基层政务公开标准化规范化工作实施方案;各乡镇人民政府、县直部门及有关29个单位全部完成编制基层政府26个领域政务公开事项标准目录;加强政务公开平台的规范化建设,开设统一的政府信息公开专栏、政务公开事项查询系统、互动交流栏目和在线办事平台,方便企业和群众获取信息、了解政策和网上办事;三是推进办事服务公开标准化和信息获取便利化。通过实体政务大厅和政府网站全面准确公开办事服务事项清单、办事指南、办事流程、办事机构、常见问题、监督举报方式和网办进度等信息,实行办事服务一次告知、信息主动推送等方式,让办事群众对事前准备清晰明了、事中进展实时掌握、事后结果及时获知。四是实现规范性文件及其解读同步公开。通过县政府网站政策解读栏目,除文字解析外,还采用数字化、图表、图解、视频等方式,对我县出台的重大政策进行解读,并在PC端首页显著位置刊发;在官网公开本级政府规章与规范性文件及所属部门规范性文件,同时,多角度公开规范性文件的政策解读。另外,重要决策方面,围绕2020年政府工作任务、全体会议、常务会议讨论决定的事项,公开各级政府工作报告、年度工作要点、民生实事任务、政策方案等文件。国民经济和社会发展统计方面,通过政府网站公开了关于桦南县2020年国民经济和社会发展计划执行情况与2021年计划报告。
(二)建立长效机制,落实依申公开
一是健全依申请公开工作制度。完善依申请公开受理工作流程,建立信息公开申请的接收、登记、审核、办理、答复、归档工作制度;建立合法性审查机制,由法规部门对依申请答复书内容进行合法性审核,确保答复合法准确;规范政府信息公开申请答复书格式与内容,依据新《条例》相关规定,制定各种情况答复书规范样板,规范政府信息公开申请答复主体,严格做到在法定时限内予以答复。二是拓宽网上依申请公开受理途径。在县政府门户网站依申请公开页面上,增设《信息公开申请表》下载端口,以方便申请人多种形式提交申请。三是加强对依申请公开办理工作指导。充分发挥主管部门组织、协调、督促、指导作用,随时解决遇到的具体问题,处理好依申请公开投诉,依法做好因依申请公开引起的行政复议和行政应诉有关工作。对公众申请较为集中的政府信息,力争做到主动公开。
(三)完善核查制度,强化信息管理
一是加强政府信息发布核查制度。严格执行公开属性审查制度,无论是主动公开还是依申请公开都严把信息公开审查关,实现政务公开工作常态化、规范化、法制化。二是完成全县机构改革。及时跟进政府网站迁移、新建、整合、改版等工作,完成全县政府部门网站迁移整合,实现集约化管理,机构改革涉及的市直政府部门及有关单位,在符合保密要求的前提下,依法公开本机关职能等信息,及时制定更新主动公开基本目录。
(四)升级改版网站,全面搭建平台
一是改版网站栏目页面。在全县机构改革和政府部门网站整合迁移工作完成之后,对县政府门户网站政府信息公开目录共建单位进行重新调整。对改革后有更名、合并、组建等情形的部门,结合其具体情况,开通登录端口,增设专门栏目;对有转隶、撤销等情形的部门予以删除处理。二是增设涉企信息专题专栏。为持续营造良好的营商环境,推进涉企政策信息公开,全面梳理现有招商引资、产业扶持等惠企惠民政策,集中发布涉企政策。对新制定的涉企政策,通过政府网站和政务新媒体,按行业领域精准推送,并及时更新涉企政策目录清单。不断强化政府网站信息公开第一平台作用,做好政策解读,引导企业用好用足优惠政策。三是采用最新手段使信息公开更便民。可通过扫二维码的方式,
(五)纳入考核体系,完善监督保障
一是健全政府工作规定。修订完善《桦南县政务公开指导手册》,将政务公开的原则、政府信息公开平台、全体会议和常务会议讨论决定事项的公开、加强政策解读、依申请公开受理流程等内容,独立成章纳入《政府工作规则》,进一步规范县政务公开工作。二是确定目标考核内容。将政务公开工作纳入各乡镇政府和县政府各部门经济社会发展主要责任指标考评体系,以国家新《条例》和全省《全面推进政务公开工作的实施意见及进一步加强全省政务公开工作的实施意见》为依据,认真研究我市责任制目标考核体系标准,补充完善、调整细化2020年考核内容,融进工作最新要求,使得考核标准更全面、更具有操作性。将涉企政务信息公开、政府网站建设和管理等作为考核重点,严格按照考评细则进行监督考核。三是加强年度报告编制和发布工作考核。对各乡镇政府和县政府各部门年报的编制与公布工作进行集中监管,要求各乡镇政府、县政府各部门将贯彻落实年度工作要点情况纳入信息公开工作年度报告,对撰写内容、规范格式、公布时间等方面进行严格督导,确保其在规定时限内规范地向社会公布,并将该项工作纳入考核内容,使之固化为一项制度。四是建立政府网站季度巡检督导机制。不断加大网上巡查力度,详细记载检查情况,及时发布通报,随时督促整改。对县政府门户网站信息更新情况开展网上普查,确保按时规范发布。
二、行政机关主动公开政府信息情况。

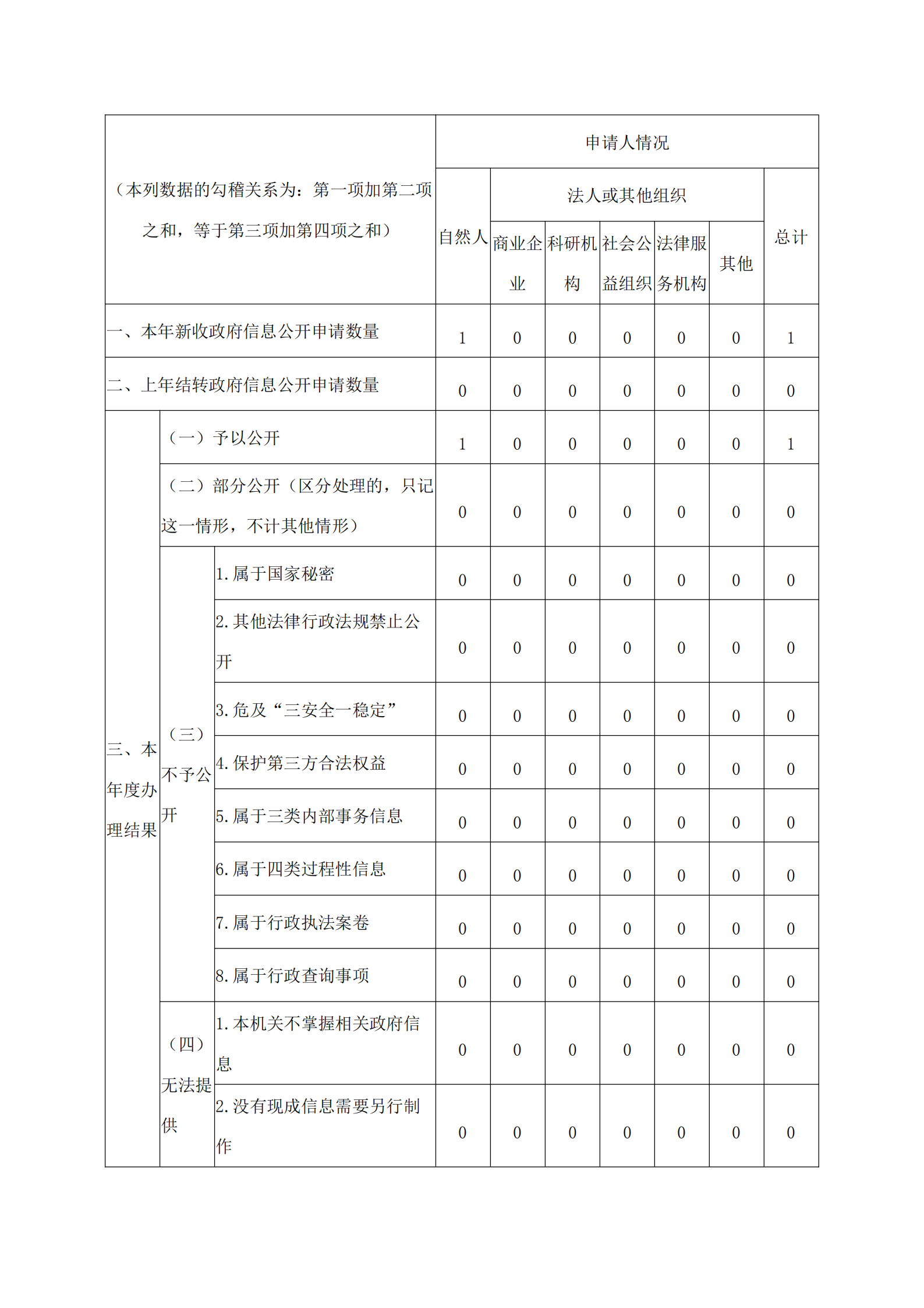
三、收到和处理政府信息公开申请情况

五、存在的主要问题及改进情况
(一)存在的问题
1、信息公开时间节点把握不准。部分信息公开不及时,未能全部按照时间节点公开。
2、基层政务公开方面信息公开不健全。财政专项资金及使用情况是群众关心的热点信息,各项资金的收集和整理存在部分不及时的问题。
3、信息发布的主动性需进一步提高。
4、基层政务公开质量有待提升。政务公开工作人员业务素质整体水平有待提高,政务公开平台建设有待继续加强。
(二)改进情况
1、组织推进基层政务公开标准化规范化工作。按照国务院和省市政府统一部署,在基层政府全面推开政务公开标准化规范化工作。复制全国基层政务公开标准化规范化试点经验,推广适应基层特点的公开方式,扩大基层政务公开标准化规范化试点成果,全面提升基层政务公开水平。
2、继续充实公开内容。进一步做好公开政府信息的界定,完善主动公开的政府信息目录,加强对公众关注度高的政府热点信息的梳理。做到把握全面、突出重点。真正把群众最关心、反映最强烈,社会普遍关注的相关信息内容作为政务公开的重点,确保政府信息公开工作质量。
3、继续完善长效工作机制。在目前政府信息公开工作基础上,不断总结经验,确保政府信息公开工作制度化、规范化发展,做到深入、持续、高效地开展政府信息公开工作。
4、及时交办媒体和网络反映的具体事项。并对群众反映的问题进行及时的处理、回复。
六、其他需要报告的事项
无
桦南县人民政府
2021年1月19日
桦南县政府2020年信息公开工作年度报告.doc
监审:
审核:
编辑: